
Ensuring the personal safety of operators is a primary concern for any vehicle manufacturer and Roll Forming Corporation helps them preserve this safety with rollover protective structures (ROPS) and falling object protective structure (FOPS) components. Our ROPS and FOPS high-frequency welded sections are made to meet or exceed the highest strength and durability standards in the world today.
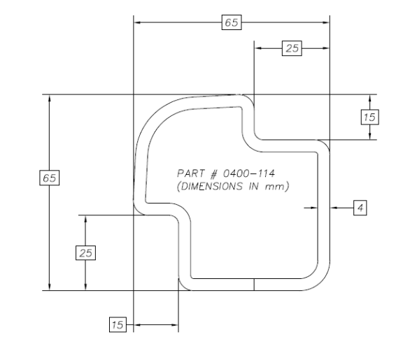
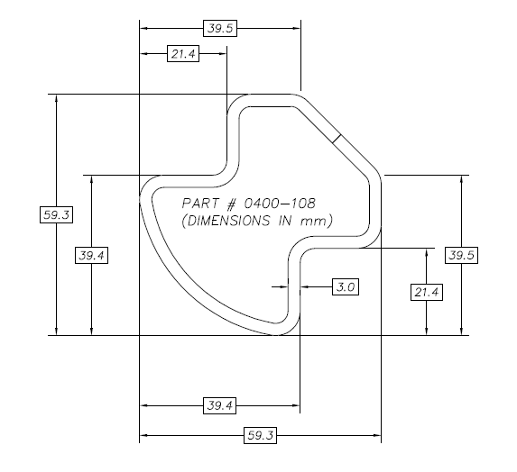
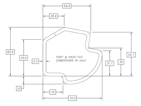
Custom and Standard Tube Designs
We offer premium protection by utilizing in-line Eddy Current monitoring, die penetrate testing, and weld destructive testing. You can choose from one of our standard tube designs, or we will work with you to develop a custom tube to meet your specific requirements.
REQUEST FOR QUOTE



